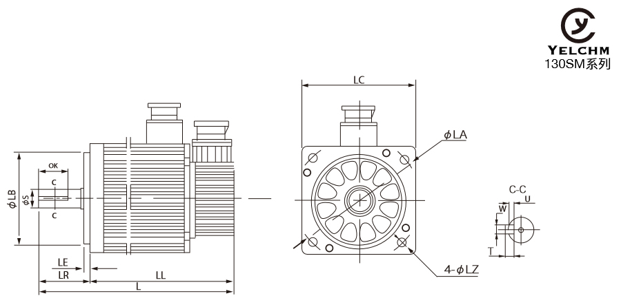
型号 | 尺寸 | 重量(Kg) | 额定功率(W) | 额定力矩(N.m) | 额度转速(Rpm) | ||||||||||||
L | L L | LR | LA | LB | S | LC | LE | LZ | OK | W | T | U | |||||
130Sm04030 | 218 | 170 | 58 | 145 | 110 | 22 | 130 | 6 | 9 | 30 | 6 | 6 | 3 | 13 | 1200 | 4 | 3000 |
130Sm06025 | 238 | 190 | 56 | 145 | 110 | 22 | 130 | 6 | 9 | 30 | 6 | 6 | 3 | 8.2 | 1500 | 6 | 2500 |
130Sm07720 | 258 | 210 | 56 | 145 | 110 | 22 | 130 | 6 | 9 | 30 | 6 | 6 | 3 | 9.4 | 1500 | 7.7 | 2000 |
130Sm10010 | 268 | 220 | 56 | 145 | 110 | 22 | 130 | 6 | 9 | 30 | 6 | 6 | 3 | 10.6 | 1000 | 10 | 1000 |
130Sm10015 | 268 | 220 | 56 | 145 | 110 | 22 | 130 | 6 | 9 | 30 | 6 | 6 | 3 | 10.6 | 1500 | 10 | 1500 |
130Sm15010 | 296 | 248 | 56 | 145 | 110 | 22 | 130 | 6 | 9 | 30 | 6 | 6 | 3 | 12.4 | 1500 | 15 | 1000 |
130Sm15015 | 296 | 248 | 56 | 145 | 110 | 22 | 130 | 6 | 9 | 30 | 6 | 6 | 3 | 12.4 | 2200 | 15 | 1500 |
130Sm15025 | 296 | 248 | 56 | 145 | 110 | 22 | 130 | 6 | 9 | 30 | 6 | 6 | 3 | 10.6 | 3800 | 15 | 2500 |
备注:带抱闸长度加长60mm,电机可根据客户要求定制。
130系列交流香蕉视频在线观看视频主图
130香蕉视频在线观看视频背面
130香蕉视频在线观看视频正面
香蕉视频在线观看视频上截面
侧面
香蕉视频在线观看视频航空插特写
尺寸图
香蕉视频污污130系列香蕉视频在线观看视频特点:
1、 精度:实现了位置,速度和力矩的闭环控制;克服了91香蕉视频色版失步的问题;
2、转速:高速性能好,一般额定转速能达到2000~3000转;
3、适应性:抗过载能力强,能承受三倍于额定转矩的负载,对有瞬间负载波动和要求快速起动的场合特别适用;
4、稳定:低速运行平稳,低速运行时不会产生类似于91香蕉视频色版的步进运行现象。适用于有高速响应要求的场合;
5、及时性:电机加减速的动态相应时间短,一般在几十毫秒之内; 香蕉视频在线观看视频厂家
130系列香蕉视频在线观看视频的应用领域就太多了。只要是要有动力源的,而且对精度有要求的一般都可能涉及到香蕉视频在线观看视频。如:机床、印刷设备、包装设备、纺织设备、激光加工设备、机器人、自动化生产线等对工艺精度、加工效率和工作可靠性等要求相对较高的设备电机
香蕉视频污污机电(无锡)有限公司
地址:江苏省无锡市钱桥镇胜丰村
龙亨沟88号
邮编:214151
电话:0510-83239135
0510-83231502
传真:0510-83233870
手机:唐小姐18936070071
孙小姐18914100270
QQ:唐小姐810806445
孙小姐2143562638